
Miniature Bearings Australia
LCHF-0127-043-TS - Datasheet
MBA
Category Information
Linear - Thomson Super Housings - FlangedFlanged Thomson Super Housings Linear. Includes Bearings.
Product Data
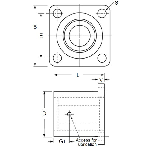
- Nominal Diameter
:
12.70
mm
(Equiv. 0.5 in.) - Flange Length and Width (B)
41.40
mm
(Equiv. 1.63 in.) - Bolt Distance and Dia. (S x E)
4.8 x 31.75
mm
(Equiv. 0.189 in.) - Length (L) 42.93 mm
- Width (D) 31.75 mm
- Flange Height (V) 6.35 mm
- Lube Hole Distance (G1) 18.29 mm
- Type Single
- Dynamic Load Capacity 118 kgf
Product Compliance and Data
Additional Resources
Cross References
- TLM-805
- TLM805


