
Miniature Bearings Australia
FS-105RS - Datasheet
MBA
Category Information
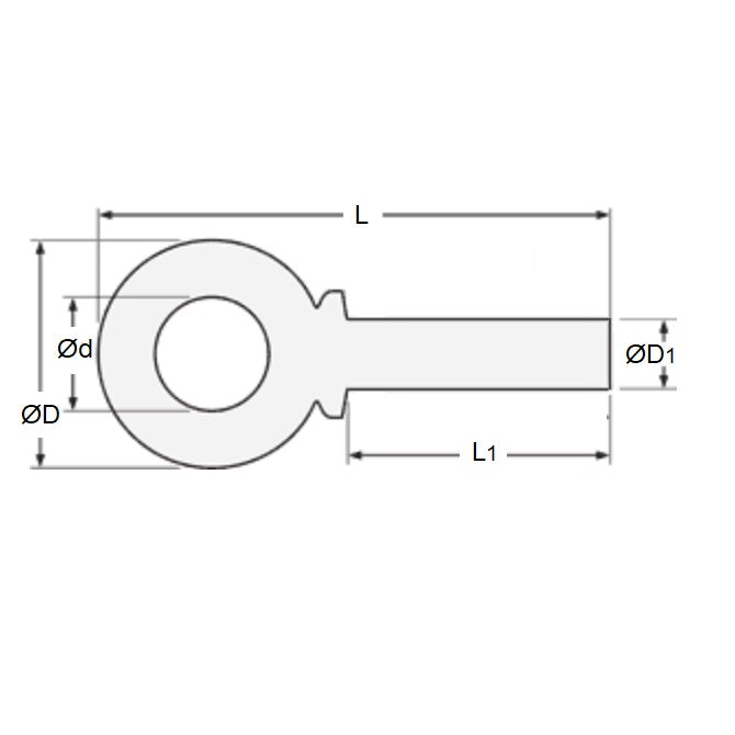
Eye Bolts - Blank ShankBlank Shank Eye Bolts. Forged self coloured carbon steel. No threads. No capacity rating as this will depend on your modifications.
- Forged self coloured carbon steel.
- Should not be used for angular lifts greater than 45o. Safety swivel hoist rings are recommended for such applications.
Product Data
- Shank Diameter
:
12.700
mm
(Equiv. 0.5 in.) - Shank Length
38.100
mm
(Equiv. 1.5 in.) - Eye Inside Diameter
30.163
mm
(Equiv. 1.188 in.) - Material Steel
Product Compliance and Data
Additional Resources


