
Miniature Bearings Australia
PBL310RS - Datasheet
MBA
Category Information
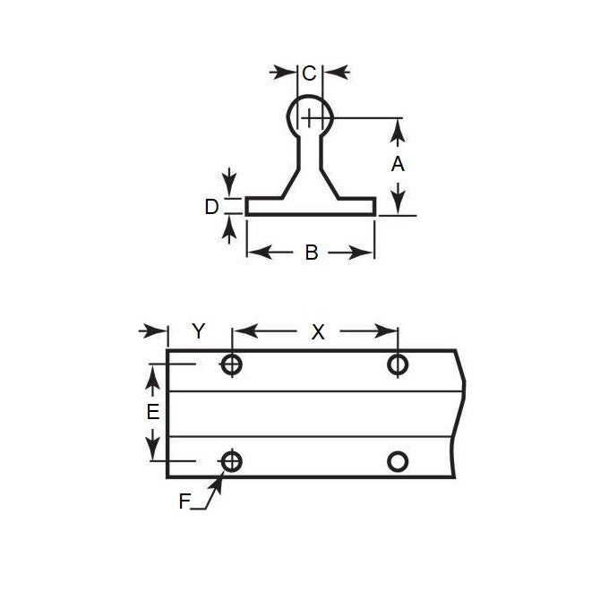
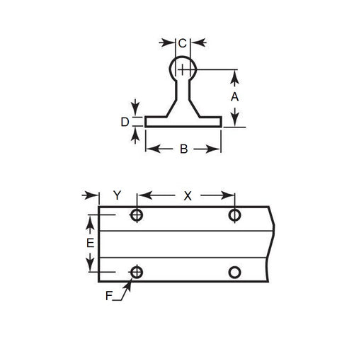
Linear - Rail Supports - With Shaft - One PieceOne Piece With Shaft Rail Supports Linear. One piece construction made from 6061-T6 Aluminium with ceramic coating to Mil-8625. Suitable for use with Frelon lined linear bearings.
- Not suitable for linear ball bearings
- Weld spatter, paints and other contaminants will not stick to the shaft.
- Vibration resistant and non-magnetic.
- Not suitable for harsh washdown environments.
Product Data
- Suitable Shaft Size (d)
:
12.70
mm
(Equiv. 0.5 in.) - Height to Shaft Centre (H)
28.58
mm
(Equiv. 1.125 in.) - Length (+0/-1.59mm)
609.60
mm
(Equiv. 24 in.) - Foot Height (V) 4.78 mm
- Base Width (A) 38.10 mm
- Support Angle (a) 101.6 °
- Hole Spacing (T) 4.29 mm
- Base Mtg. Hole (U) 25.40 mm
Product Compliance and Data
Additional Resources
Cross References
- 1049K15
- Reid Tool® PBL-310
- PBL310


