
Miniature Bearings Australia
BBFP-127-C - Datasheet
MBA
Category Information
Linear - Housings Pillow Block Frelon - Precision - ClosedClosed Precision Housings Pillow Block Frelon Linear. Single and double length
- Bearing is Frelon Gold -tm- encased in a flanged housing made from 6061-T6 aluminium. Double length has two bearings mounted internally.
- For rotating and linear motion.
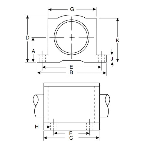
Product Data
Deleted Item. Available while stocks last.
Please contact us first if you wish to use this item in a new design so we can check whether production can be resumed.
- Bore Diameter
:
12.700
mm
(Equiv. 0.5 in.) - Centre Bore Height (A)
17.450
mm
(Equiv. 0.687 in.) - Base Width (B)
50.800
mm
(Equiv. 2 in.) - Overall Length (C) 42.875 mm
- Centre Bolt Holes Width (E) 435.27 mm
- Max Load Rating 435.27 Kg
- Material Frelon
Product Compliance and Data
Additional Resources
Cross References
- 6374K125
- PBC-61
- PBC61
- S61PPC-050F16875
- S61PPC050F16875


