
Miniature Bearings Australia
RPO-126-128-CZ - Datasheet
MBA
Category Information
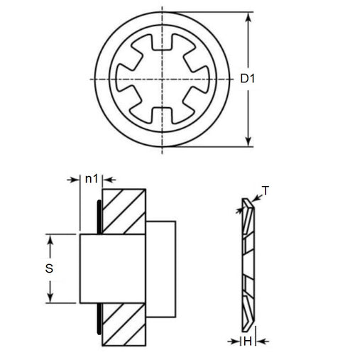
Retaining Rings - Push On - Carbon SteelCarbon Steel Push On Retaining Rings. M1465 / DTX / Seeger ZA and KS.
- An expanded range may be available on special order. Please enquire.
- Thrust load shown is calculated for ideal conditions with mild steel shaft.
- If no thrust load is shown, testing is suggested.
Product Data
- Min shaft size (s1)
:
12.57
mm
(Equiv. 0.495 in.) - Max Shaft Size (s2)
12.83
mm
(Equiv. 0.505 in.) - Outside diameter (D1)
21.00
mm
(Equiv. 0.827 in.) - Min shaft extension (n1) 2.29 mm
- Finish Zinc Plated
- Material Thickness (t) 0.38 mm
- Material Carbon Steel Zinc Plated
Product Compliance and Data
Additional Resources
Cross References
- Waldes 5115-050-ZD
- NoCor TX-050-ZD
- Rotor Clip TX-050-ZD
- N1465-050-ZD
- N1465050ZD
- TX050ZD
- 5115050ZD


