Miniature Bearings Australia - MBA Minibearings
Miniature Bearings Australia

PB2-12M-N - Datasheet

MBA

Category Information

Housings - Pillow Block Self Aligning - Needle Roller

Needle Roller Pillow Block Self Aligning Housings. Spyraflo robust light weight aluminium housing with self aligning needle roller bearings.

  • This category will be discontinued when the remaining items are sold.
  • All items are priced to quit.
  • Backorders or orders for previously listed items in the category will only be available for very large orders.
  • See links at bottom of web page for more information
  • +/- 5% Static Alignment
  • Sintered aluminium housing
  • Corrosion Resistant
  • Light weight

Product Data

Deleted Item. Available while stocks last.

Please contact us first if you wish to use this item in a new design so we can check whether production can be resumed.

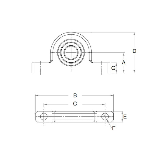
  • Nominal Shaft Size : 12.000 mm
    (Equiv. 0.472 in.)
  • Max. Radial Dynamic Load 1700 N
  • Material Needle Roller
  • Min to Max Shaft Dia. 11.989 to 12.000 mm
  • Max Speed 20000 RPM
  • A 19.00 mm
  • B 82.50 mm
  • C 63.50 mm
  • D 39.50 mm
  • Material Steel
Country of Origin: US

Product Compliance and Data

Additional Resources

    View full details