
Miniature Bearings Australia
FK205 - Datasheet
MBA
Category Information
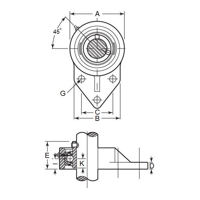
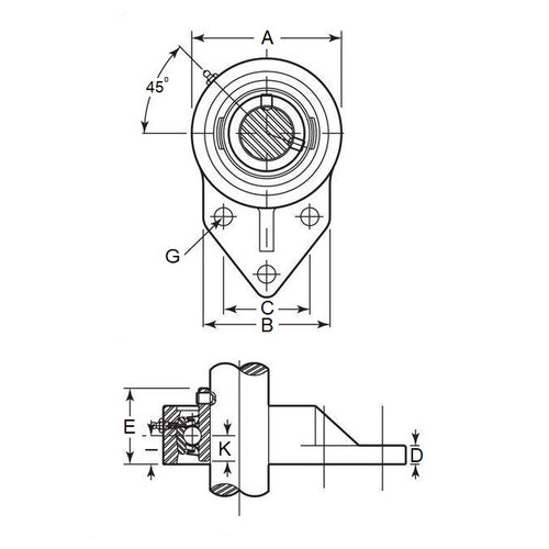
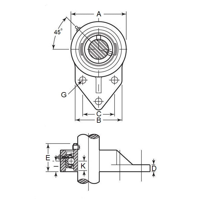
Housings - Flanged - Offset Cast IronOffset Cast Iron Flanged Housings. Lubrication Groove.
- An expanded range may be available on special order. Please enquire.
- Bearings sold separately.
- Larger sizes available on request.
- Use with steel bearing inserts for cast iron housings.
Product Data
- Height (H)
:
116.000
mm
(Equiv. 4.567 in.) - Length (L)
68.000
mm
(Equiv. 2.677 in.) - Width - Assembled (W)
35.700
mm
(Equiv. 1.406 in.) - Bolt Hole Centres (J) 34.000 mm
- Base Width (A1) 13.000 mm
- Bearing Width (B) 34.000 mm
- To Suit Bearing UC205
- Bolt Hole Size (s) 10.000 mm
- Offset Width (Ow) 56.000 mm
- Material Cast Iron
Product Compliance and Data
Additional Resources
Cross References
- Nachi FK205J


