
Miniature Bearings Australia
RPO-119-121-C - Datasheet
MBA
Category Information
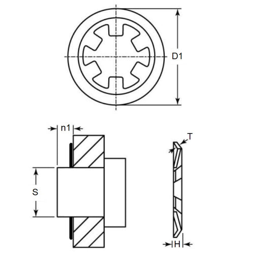
Retaining Rings - Push On - Carbon SteelCarbon Steel Push On Retaining Rings. M1465 / DTX / Seeger ZA and KS.
- An expanded range may be available on special order. Please enquire.
- Thrust load shown is calculated for ideal conditions with mild steel shaft.
- If no thrust load is shown, testing is suggested.
Product Data
Deleted Item. Available while stocks last.
Please contact us first if you wish to use this item in a new design so we can check whether production can be resumed.
- Min shaft size (s1)
:
11.88
mm
(Equiv. 0.468 in.) - Max Shaft Size (s2)
12.12
mm
(Equiv. 0.477 in.) - Outside diameter (D1)
18.00
mm
(Equiv. 0.709 in.) - Min shaft extension (n1) 2.40 mm
- Height (H) Max. 1.20 mm
- Material Thickness (t) 0.40 mm
- Approx. Thrust Load 34 kg
- Material Carbon Steel
Product Compliance and Data
Additional Resources
Cross References
- 98430A136
- M14650120
- M1465-0120APP
- M14650120APP


