
Miniature Bearings Australia
CC-114-127-CZ - Datasheet
MBA
Category Information
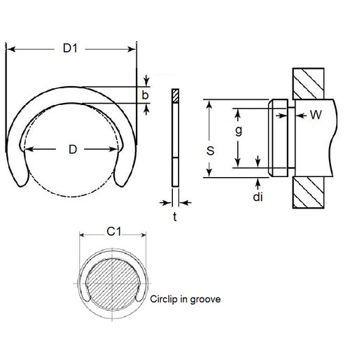
Retaining Rings - CrescentCrescent Retaining Rings. Variation of an E-Clip with an open face. Also known as a C-Clip.
- Narrow section height provides good clearance capabilities.
- Absence of teeth and deep set mean less thrust load ratings than e-clips.
- For best results install using the recommended applicator tool.
Product Data
- Groove Diameter (G)
:
11.43
mm
(Equiv. 0.45 in.) - Shaft Diameter (S)
12.70
mm
(Equiv. 0.5 in.) - Thickness (t)
0.89
mm
(Equiv. 0.035 in.) - Clip OD in groove (C1) 15.24 mm
- Clip OD Loose (D1) 14.76 mm
- Groove Width (W) 0.99
- Material Carbon Spring Steel Zinc Plated
Product Compliance and Data
Additional Resources
Cross References
- Military 16632-050-ZD/B
- Military 16632-050-ZD-B
- Waldes 5103-050-ZD/B
- Waldes 5103-050-ZD-B
- Ellison 9103-050-ZD/B
- Ellison 9103-050-ZD-B
- NoCor C-050-ZD/B
- Rotor Clip C-050-ZD/B
- NoCor C-050-ZD-B
- Rotor Clip C-050-ZD-B
- N1800-050-ZD/B
- N1800050ZDB
- N1800-050-ZD-B
- N1800050ZD/B
- 16632050ZD/B
- 16632050ZDB
- 9103050ZDB
- 9103050ZD/B
- 5103050ZD/B
- 5103050ZDB
- C050ZDB
- C050ZD/B


