
Miniature Bearings Australia
CC-114-127-C - Datasheet
MBA
Category Information
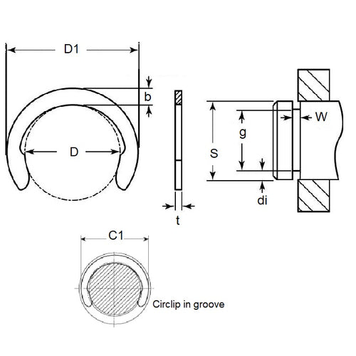
Retaining Rings - CrescentCrescent Retaining Rings. Variation of an E-Clip with an open face. Also known as a C-Clip.
- Narrow section height provides good clearance capabilities.
- Absence of teeth and deep set mean less thrust load ratings than e-clips.
- For best results install using the recommended applicator tool.
Product Data
- Groove Diameter (G)
:
11.43
mm
(Equiv. 0.45 in.) - Shaft Diameter (S)
12.70
mm
(Equiv. 0.5 in.) - Thickness (t)
0.89
mm
(Equiv. 0.035 in.) - Clip OD in groove (C1) 15.24 mm
- Clip OD Loose (D1) 14.76 mm
- Groove Width (W) 0.99
- Material Carbon Spring Steel Self Finish
Product Compliance and Data
Additional Resources
Cross References
- Military 16632-050
- Military 16632-050/B
- Military 16632-050-B
- Waldes 5103-050
- Waldes 5103-050/B
- Waldes 5103-050-B
- Ellison 9103-050
- Ellison 9103-050/B
- Ellison 9103-050-B
- NoCor C-050
- Rotor Clip C-050
- NoCor C-050/B
- Rotor Clip C-050/B
- NoCor C-050-B
- Rotor Clip C-050-B
- N1800-050/B
- N18000050APP
- N1800-0050APP
- N1800050
- N1800050B
- N1800050/B
- N1800-050-B
- 16632050B
- 16632050/B
- 9103050
- 9103050B
- 9103050/B
- 5103050/B
- 5103050B
- C050B
- C050/B


