
Miniature Bearings Australia
RPO-111-112-C - Datasheet
MBA
Category Information
Retaining Rings - Push On - Carbon SteelCarbon Steel Push On Retaining Rings. M1465 / DTX / Seeger ZA and KS.
- An expanded range may be available on special order. Please enquire.
- Thrust load shown is calculated for ideal conditions with mild steel shaft.
- If no thrust load is shown, testing is suggested.
Product Data
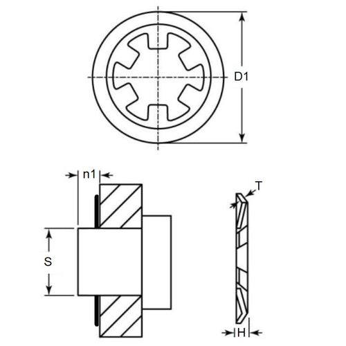
- Min shaft size (s1)
:
11.10
mm
(Equiv. 0.437 in.) - Max Shaft Size (s2)
11.15
mm
(Equiv. 0.439 in.) - Outside diameter (D1)
16.21
mm
(Equiv. 0.638 in.) - Min shaft extension (n1) 1.52 mm
- Material Thickness (t) 1.52 mm
- Material Carbon Steel
Product Compliance and Data
Additional Resources
Cross References
- Waldes 5105-043
- IRR 6100-043
- NoCor TY-043
- Rotor Clip TY-043
- TY043
- 6100043
- 5105043


