
Miniature Bearings Australia
JLP-265RS - Datasheet
MBA
Category Information
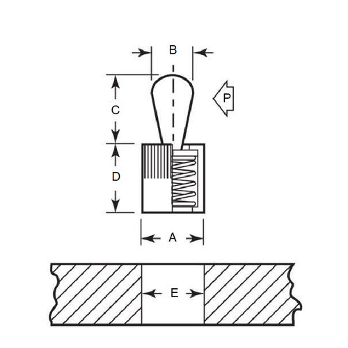
Pins - Locating Spring - Stainless Pin - UnsealedUnsealed Stainless Pin Locating Spring Pins. Aluminium Body. For fixturing small parts in tight areas. Ideal for positioning and chucking flat or round parts for profile clamping.
Product Data
- Diameter (A)
:
11.13
mm
(Equiv. 0.438 in.) - Pin Diameter (B)
5.00
mm
(Equiv. 0.197 in.) - Pin Height (C)
7.29
mm
(Equiv. 0.287 in.) - D 8.99 mm
- E 11.13 mm + 0.025 / - 0.000
- P Force 3.04 Kg
- X 1.60 mm
- Installation Tool JLP-405
- Material Stainless Steel
Product Compliance and Data
Additional Resources
View full details


