
Miniature Bearings Australia
JLP-100RS - Datasheet
MBA
Category Information
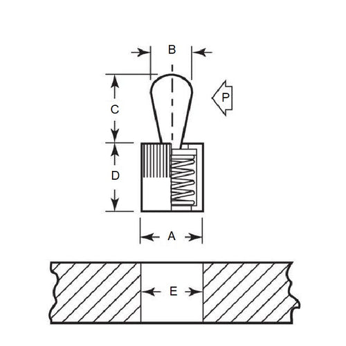
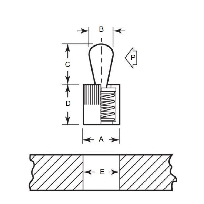
Pins - Locating Spring - Plastic Pin - SealedSealed Plastic Pin Locating Spring Pins. Aluminium Body. For fixturing small parts in tight areas. Ideal for positioning and chucking flat or round parts for profile clamping.
Product Data
- Diameter (A)
:
11.13
mm
(Equiv. 0.438 in.) - Pin Diameter (B)
5.99
mm
(Equiv. 0.236 in.) - Pin Height (C)
11.13
mm
(Equiv. 0.438 in.) - D 11.99 mm
- E 11.13 mm + 0.025 / - 0.000
- P Force 4.08 Kg
- X 1.80 mm
- Installation Tool JLP-410
- Material Plastic
Product Compliance and Data
Additional Resources
View full details


