
Miniature Bearings Australia
CLP-111-0194-P - Datasheet
MBA
Category Information
Pins - Clevis - Pin Locking - Low Carbon SteelLow Carbon Steel Pin Locking Clevis Pins. Match with a suitable R-Clip or Spilt Pin - pin size shown in listings
- Non-threaded fastener with a head on one end and a hole/groove on the other, used to connect two or more parts in a way that allows for rotation, similar to a bolt, by passing through aligned holes.
- A retaining pin, such as a cotter pin, E-clip or R-clip, is inserted into the hole/groove at the end to keep the clevis pin secured in place.
- In addition to retaining parts on a shaft or axle, clevis pins can also be used as light duty axles, spring holders or even fishing line weights.
- Made from low carbon steel
Product Data
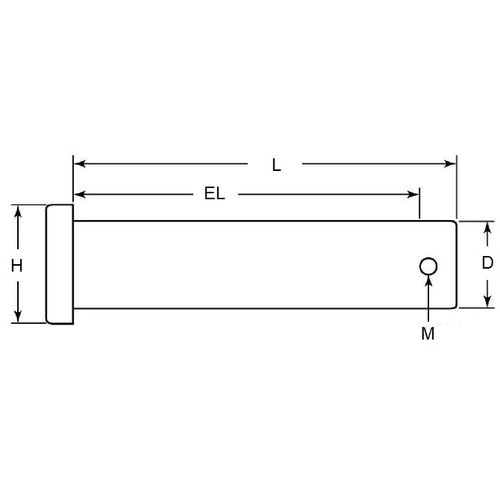
- Nominal Pin Diameter (D)
:
11.11
mm
- 0.05 / - 0.18
(Equiv. 0.437 in.) - Grip Length (EL)
19.43
mm
+ 0.51 / - 0.00
(Equiv. 0.765 in.) - Nom. Length (L)
25.40
mm
+ 0.51 / - 0.00
(Equiv. 1 in.) - Ret. Pin Dia. (M) 3.0 mm
- Material Carbon Steel - Low Carbon 1010 or 1018 Steel
Product Compliance and Data
Additional Resources
Cross References
- 98306A324
- NoCor CLP-0437-1000
- NoCor CLP-0437-1000/B
- CLP04371000/B


