
Miniature Bearings Australia
PLIT-100-200-150-83-KPU-S3F - Datasheet
MBA
Category Information
Plungers - Indexing Pull Knob - No Collar - Stainless - StandardStandard Stainless No Collar Indexing Pull Knob Plungers. This is the main category in this series
Product Data
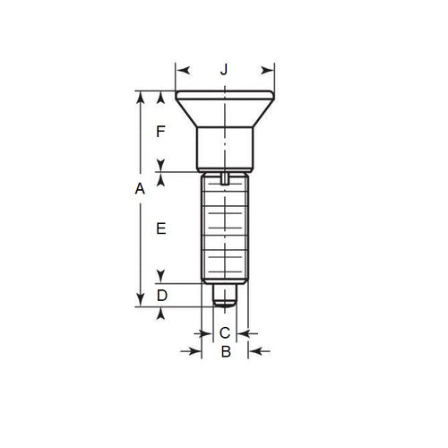
- Thread (B) : M20 Extra Fine (20x1.5mm)
- Overall Length (A)
83.0
mm
(Equiv. 3.268 in.) - Initial End Force 6.8 N
- Final End Force 15.4 N
- Tip Diameter (C) 10.0 mm
- Tip Length (D) 10.0 mm
- Hex Height (F) 33.0
- Knob Diameter (J) 33.0
- Material Stainless Steel 303 (Similar to A2, 304, 18-8)
Product Compliance and Data
Additional Resources
Cross References
- KBP658
- KBP-658


