
Miniature Bearings Australia
PLIT-100-200-150-74-LKPN-C - Datasheet
MBA
Category Information
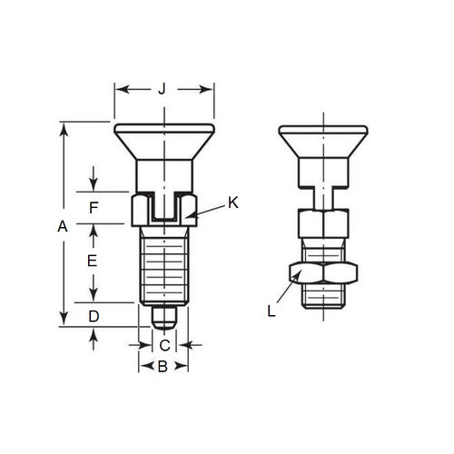
Plungers - Indexing Pull Knob - Steel - With Locking Slot and NutWith Locking Slot and Nut Steel Indexing Pull Knob Plungers. With thermoplastic knob
Product Data
- Thread (B) : M20 Extra Fine (20x1.5mm)
- Overall Length (A)
74.0
mm
(Equiv. 2.913 in.) - Initial End Force 6.8 N
- Final End Force 15.4 N
- Tip Diameter (C) 10.0 mm
- Tip Length (D) 10.0 mm
- Knob Diameter (J) 33.0 mm
- Hex Size (K) 22.0 mm
- Nut Size (L) 30.0
- Material Steel
Product Compliance and Data
Additional Resources
Cross References
- KBP-569
- KBP569


