
Miniature Bearings Australia
OW-0100-0200-0110-BND - Datasheet
ECO
Category Information
Bearings - One Way - SpragSprag One Way Bearings. Sprag clutch bearings allow your application to turn one way whilst locking in the opposite direction.
- One way bearings, also known as clutch bearings, or non-reversing bearings, allow rotation in a single direction.
- Commonly used in over-runnung, or backstopping applications.
- The unidirectional operation allows these bearings to play a crucial role in various mechanical systems where controlled rotation, overrunning protection, backstopping, indexing, or intermittent motion is required.
- Designed for press fit installation. Correct interference dimensions must be maintained to obtain maximum bearing and clutch performance.
- Mount the clutch ensuring that the shaft drive directionis in the direction indicated by the arrow on the inner race. To install, use a press tool / do not hammer or apply other stock to clutch.
- Make sure housing has enough strength to withstand press required for fitting installation. High carbon hardened steel alloy.
- Always lock out power switch before installing, removing, lubricating or servicing a system that uses Cam Clutch products.
- When connecting or disconnecting Cam Clutch products, eye protection is required. Wear safety glasses, protective clothing, gloves and safety shoes.
Product Data
Deleted Item. Available while stocks last.
Please contact us first if you wish to use this item in a new design so we can check whether production can be resumed.
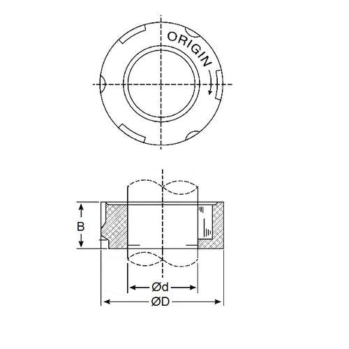
- ID (C)
:
10.00
mm
(Equiv. 0.394 in.) - OD (B)
20.000
mm
(Equiv. 0.787 in.) - Width (A)
11.000
mm
(Equiv. 0.433 in.) - Shields Banded Enclosed
- Max Torque 1.47 Nm
- Material Chrome Steel
Product Compliance and Data
Additional Resources
- Catalogue: Ceramic Bearings Catalogue
- Catalogue: Plastic Bearings Catalogue
- Catalogue: Standard Bearings Catalogue
- General: Bearing Cleanliness
- General: Bearing Clearances
- General: Bearing Flanges & Snap Rings
- General: Bearing Retainers (Cages)
- General: General Loads Information
- General: Lubrication
- General: Prefix & Suffix Guide
- General: Static vs Dynamic Loads
- Materials: 316 Stainless
- Materials: CASSTOP Anti-Corrosion Bearing Material
- Materials: Ceramic vs Ceramic Hybrid
- Materials: Ceramic Bearings in Vibratory Applications
- Materials: Ceramic Hybrid Bearings in Vibratory Applications
- Materials: General Bearing Materials
- Materials: Magnetism & Bearings
- Precision: 316 Stainless & Plastic Bearing Tolerances
- Precision: ABEC Basic Information
- Precision: Precision Bearing Tolerances
- Problem Solving: Bearing Failure
- Problem Solving: Fatigue (L10 Life)
- Problem Solving: Noise
Cross References
- Origin OWC10-20-11
- OWC102011


