
Miniature Bearings Australia
PLIT-100-191C-80-LK-C - Datasheet
MBA
Category Information
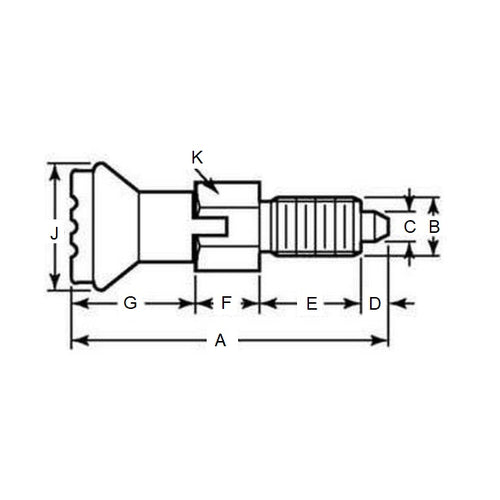
Plungers - Indexing - Locking - With Knob - SteelSteel With Knob Locking Indexing Plungers. Used to prevent change in locking position due to shearing force. Spring loaded for use in fastening, locating and indexing on equipment, tooling and other applications.
- Body and pin are steel with black oxide finish.
Product Data
- Thread (B) : 3/4-10 UNC (19.05mm)
- Thread Length (E)
27.9
mm
(Equiv. 1.098 in.) - Initial End Force 2.0 N
- Final End Force 4.1 N
- Tip Diameter (C) 10.0 mm
- Tip Length (D) 9.9 mm
- Handle Length (G) 30.0 mm
- Hex Diameter (K) 22.1
- Material Steel
Product Compliance and Data
Additional Resources
Cross References
- GIP-75
- GIP75


