
Miniature Bearings Australia
BF0100-0190-0070-BS2115LU - Datasheet
MBA
Category Information
Bushes - Flanged - Bronze - SinteredSintered Bronze Flanged Bushes. Oil impregnated flanged sintered bronze bushes.
- An expanded range may be available on special order. Please enquire.
- Precision items show an allowable Load Speed Rating in Newtons times RPM.
Product Data
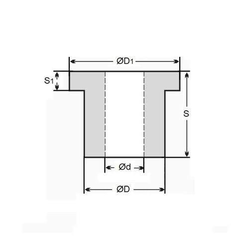
- Nominal Inside Diameter (d)
:
10.000
mm
+ 0.000 / + 0.015
(Equiv. 0.394 in.) - Nominal Outside Diameter (D)
19.000
mm
+ 0.00 / - 0.013
(Equiv. 0.748 in.) - Length (s)
7.000
mm
+ 0 / - 0.170
(Equiv. 0.276 in.) - Flange OD (D1) 21.00 mm
- Flange Thickness (S1) 1.50 mm
- Material Bronze SAE 841 Sintered
Product Compliance and Data
Additional Resources
- DU Bush Material Information
- General Bushes Catalogue
- Sintered Bronze Products Catalogue
- Solid Bronze Bushes catalogue
Cross References
- S99BP4MFB101970
- BF010001900070BSLU


