
Miniature Bearings Australia
BF0100-0160-0100-BS2030LT - Datasheet
MBA
Category Information
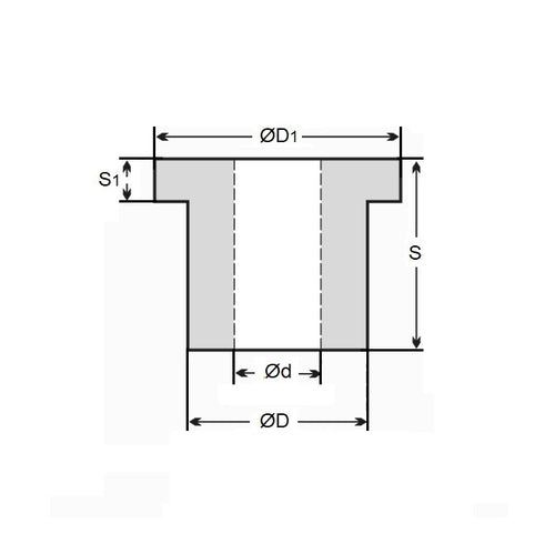
Bushes - Flanged - Bronze - SinteredSintered Bronze Flanged Bushes. Oil impregnated flanged sintered bronze bushes.
- An expanded range may be available on special order. Please enquire.
- Precision items show an allowable Load Speed Rating in Newtons times RPM.
Product Data
- Nominal Inside Diameter (d)
:
10.000
mm
+ 0.025 / + 0.040
(Equiv. 0.394 in.) - Nominal Outside Diameter (D)
16.000
mm
+ 0.023 / + 0.041
(Equiv. 0.63 in.) - Length (s)
10.000
mm
+ 0 / - 0.200
(Equiv. 0.394 in.) - Flange OD (D1) 20.00 mm
- Flange Thickness (S1) 3.00 mm
- Material Bronze SAE 841 Sintered
Product Compliance and Data
Additional Resources
- DU Bush Material Information
- General Bushes Catalogue
- Sintered Bronze Products Catalogue
- Solid Bronze Bushes catalogue
Cross References
- Oilube FM-1016-10
- BF010001600100BS
- BF010001600100BS2030
- BF010001600100BS2030TL
- A7B4MF101610
- FM101610


