Miniature Bearings Australia - MBA Minibearings
Miniature Bearings Australia

QD-P-1064 - Datasheet

MBA

Category Information

Bushings - QD

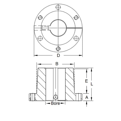
QD Bushings. Used with QD type cast iron vee pulleys, timing pulleys, sprockets, poly vee pulleys and other parts designed specifically for use with a QD bushing

  • Quick Disconnect (QD) bushing is a power transmission component with a split taper design that provides a strong, secure clamp on a shaft, allowing for easy installation and removal of sprockets, pulleys, and sheaves.
  • Similar to a taperlock bush, but not interchangeable
  • QD bushings like taperlock bushings allow for use of a single stock pulley for many applications with different shaft sizes
  • Select the correct QD series to suit the pulley

Product Data

  • Bore : 106.363 mm
    (Equiv. 4.188 in.)
  • Series P
  • Flange OD (D) 298.45 mm
    (Equiv. 11.75 in.)
  • Bolt Circle Dia. 254.00 mm
  • Overall Length (L) 238.13 mm
  • Bush Length (E) 193.68 mm
  • Large End OD (B) 209.55 mm
  • Flange Thickness (A) 44.45 mm
  • Material Steel
Country of Origin: US

Product Compliance and Data

Additional Resources

    Cross References

    • Martin Px4-3-16
    • Px4316
    View full details