
Miniature Bearings Australia
FRB-85RS - Datasheet
MBA
Category Information
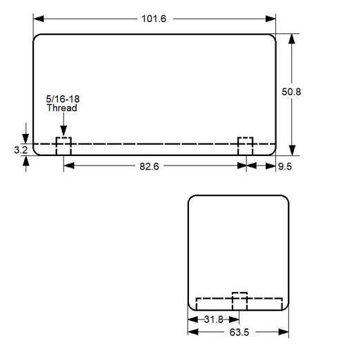
Bumpers - Square and Rectangular - StandardStandard Square and Rectangular Bumpers. With drilled and counterbored holes for mounting. Neoprene only, no steel plate.
Product Data
- Length
:
101.600
mm
(Equiv. 4 in.) - Width
63.500
mm
(Equiv. 2.5 in.) - Height
50.800
mm
(Equiv. 2 in.) - Hardness 80A
- Material Neoprene Rubber 80A
Product Compliance and Data
Additional Resources


