
Miniature Bearings Australia
RRT-400 - Datasheet
MBA
Category Information
Retaining Rings - Internal - Spiral Rings - Medium-Heavy Duty - Carbon SteelCarbon Steel Medium-Heavy Duty Spiral Rings Internal Retaining Rings. Includes Series AMI / WHT / Spirolox RRT - Spring Steel
- An expanded range may be available on special order. Please enquire.
- Originally designed to fit NAS50-51 grooves, this series is a popular OEM specification.
- This two/three turn design is easier to install than the heavy duty RRN option.
- Equivalent to Associated Spring: AMI, Smalley: WHT, Spirolox and Ramsey: RRT
Product Data
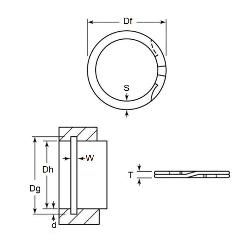
- Housing Bore (B)
:
101.60
mm
(Equiv. 4 in.) - Clip Thickness (T)
2.82
mm
+/- 0.08
(Equiv. 0.111 in.) - Groove Dia. (Dg)
107.19
mm
(Equiv. 4.22 in.) - Approx. Loose Circlip OD (Dr) 107.90 mm + 0.76 / - 0.00
- Radial Wall (S) Approx. 6.35 mm +/- 0.13
- Groove Width (W) 3.12 mm +/- 0.15
- Approx. Loose Clip ID 95.2 +/- 0.07
- Groove Depth (d) 2.79
- Material Carbon Spring Steel
Product Compliance and Data
Additional Resources
Cross References
- Associated Spring AMI-400
- Smalley WHT-400
- WHT400
- AMI400


