
Miniature Bearings Australia
QD-M-1016 - Datasheet
MBA
Category Information
Bushings - QDQD Bushings. Used with QD type cast iron vee pulleys, timing pulleys, sprockets, poly vee pulleys and other parts designed specifically for use with a QD bushing
- Quick Disconnect (QD) bushing is a power transmission component with a split taper design that provides a strong, secure clamp on a shaft, allowing for easy installation and removal of sprockets, pulleys, and sheaves.
- Similar to a taperlock bush, but not interchangeable
- QD bushings like taperlock bushings allow for use of a single stock pulley for many applications with different shaft sizes
- Select the correct QD series to suit the pulley
Product Data
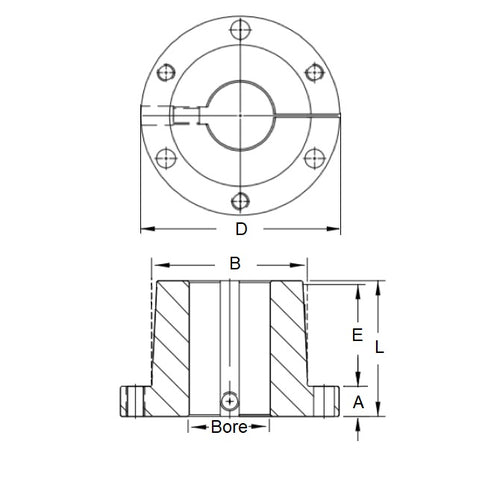
- Bore
:
101.600
mm
(Equiv. 4 in.) - Series M
- Flange OD (D)
228.60
mm
(Equiv. 9 in.) - Bolt Circle Dia. 200.03 mm
- Overall Length (L) 171.45 mm
- Bush Length (E) 139.70 mm
- Large End OD (B) 165.10 mm
- Flange Thickness (A) 31.75 mm
- Material Steel
Product Compliance and Data
Additional Resources
Cross References
- Martin Mx4


