
Miniature Bearings Australia
YE-8SPRS - Datasheet
MBA
Category Information
Yoke Ends - ThreadedThreaded Yoke Ends. Linkage connectors with threaded ends.
- A yoke end, also known as a clevis end, is a U-shaped metal fastener used to connect rods, cables, or pipes to a mounting point.
- It's commonly used in lifting, rigging, and other applications where secure attachment and articulation are needed.
- Yoke ends require a clevis pin and cotter pin for secure attachment.
- Drop forged steel machined to SAE standards
- Also see clevis joints
Product Data
Deleted Item. Available while stocks last.
Please contact us first if you wish to use this item in a new design so we can check whether production can be resumed.
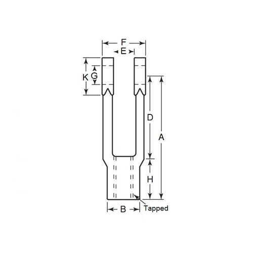
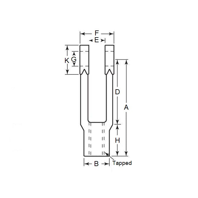
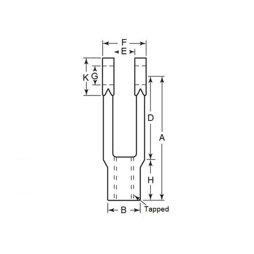
- Effective Length (A)
:
101.600
mm
(Equiv. 4 in.) - Hub Diameter (B)
28.580
mm
(Equiv. 1.125 in.) - Gap (E) +/- 0.38
17.460
mm
(Equiv. 0.687 in.) - Width (F) +/- 0.38 38.10 mm
- Hole Size (G) +0.25 15.88 mm
- Stud Height (H) (+0.79) 32 mm
- Housing Diameter (K) 35 mm
- Thread Size 3/4-10 UNC (19.05mm)
- Material Steel
Product Compliance and Data
Additional Resources


