
Miniature Bearings Australia
FC204 - Datasheet
MBA
Category Information
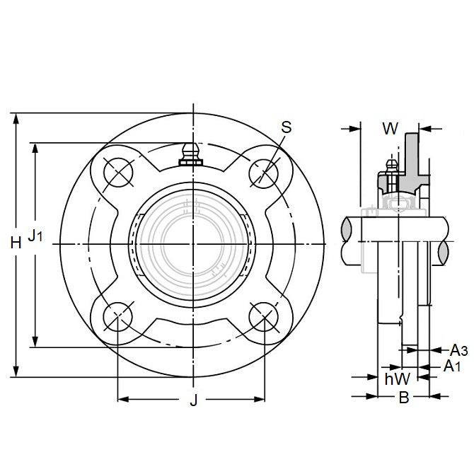
Housings - Flanged Round Cast IronFlanged Round Cast Iron Housings. Lubrication Groove.
- An expanded range may be available on special order. Please enquire.
- Bearings sold separately.
- Larger sizes available on request.
- Use with steel bearing inserts for cast iron housings.
Product Data
- Height (H)
:
100
mm
(Equiv. 3.937 in.) - Ass. Width to Base (W)
28.300
mm
(Equiv. 1.114 in.) - Width of Spigot (a3)
5.000
mm
(Equiv. 0.197 in.) - Bolt Circle Diameter (J1) 78.000 mm
- Base Width (A1) 7.000 mm
- Bearing Width (B) 31.000 mm
- To Suit Bearing UC201 - UC202 - UC203 - UC204
- Bolt Hole Size (s) 12.000 mm
- Bolt Hole Centres (J) 55.100 mm
- Hsg. Width (excl. Spigot hW) 20.50 mm
- Material Cast Iron
Product Compliance and Data
Additional Resources
Cross References
- Nachi FC204J


