
Miniature Bearings Australia
PBC-765RS - Datasheet
MBA
Category Information
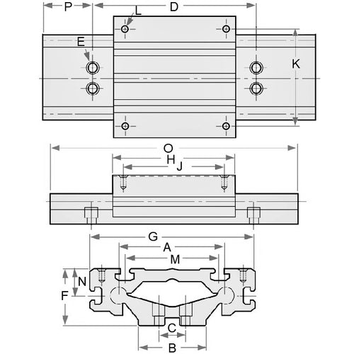
Linear - Guide System Two PieceGuide System Two Piece Linear. Using Frelon Gold plain bearing technology. Rail and carriage are made from 6063-T6 aluminium and come as a set.
- Rails are ceramic coated to resist corrosion and repel weld spatter and contaminants.
- Smooth running. Dampens vibration. Guide has slots for T nuts or bolts. Two component system allows for easier installation than traditional rail systems.
Product Data
- Rail Top Width (A/B)
:
100.076 / 66.040
mm
(Equiv. 3.94 in.) - C
25.400
mm
(Equiv. 1 in.) - Rail Bolt Centres (D)
152.400
mm
(Equiv. 6 in.) - Rail Height (F) 53.975 mm
- Carriage Width (G) 154.940 mm
- Carriage Length (H) 114.300 mm
- Carriage Bolt Centre Length (J 95.250 mm
- Carriage Bolt Centre Width (K) 133.350 mm
- Overall Length (O) 609.60 mm
- P 76.20 mm
- Bolt Size (L) 1/4-20 UNC (6.350mm)
- M 88.900 mm
- Material Aluminium 6061-T6 with Ceramic Coated Rail and Frelon Gold self-lubricating
Product Compliance and Data
Additional Resources
Cross References
- Pacific D100-24
- D10024


