
Miniature Bearings Australia
CFF100-40-160M-R60 - Datasheet
MBA
Category Information
Mounts - Bobbin - FemaleFemale Bobbin Mounts. Vibration dampening
- An expanded range may be available on special order. Please enquire.
- Also see Bumpers
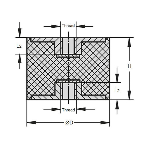
Product Data
- Nom. Body Diameter (D)
:
100.0
mm
(Equiv. 3.937 in.) - Body Height (H)
40.0
mm
(Equiv. 1.575 in.) - Thread Size M16x2.00
- Shore Hardness 60
- Compression Load 700 (1498) Kg (lbs)
- Deflection 3.2 mm
- Max Shear Load 164.8 (369.2) Kg (lbs)
- Configuration Female to Female
- Material Natural Rubber
Product Compliance and Data
Additional Resources
Cross References
- Trelleborg 20-01324
- 2001324
- C-ZY-16-100-40
- CZY1610040


