
Miniature Bearings Australia
RPO-110-112-C - Datasheet
MBA
Category Information
Retaining Rings - Push On - Carbon SteelCarbon Steel Push On Retaining Rings. M1465 / DTX / Seeger ZA and KS.
- An expanded range may be available on special order. Please enquire.
- Thrust load shown is calculated for ideal conditions with mild steel shaft.
- If no thrust load is shown, testing is suggested.
Product Data
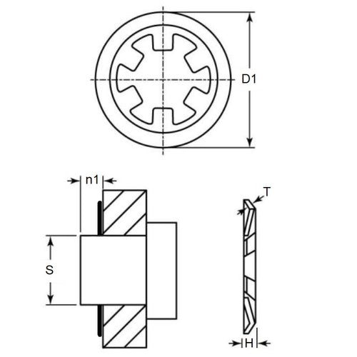
- Min shaft size (s1)
:
10.97
mm
(Equiv. 0.432 in.) - Max Shaft Size (s2)
11.23
mm
(Equiv. 0.442 in.) - Outside diameter (D1)
19.46
mm
(Equiv. 0.766 in.) - Min shaft extension (n1) 2.29 mm
- Height (H) Max. 1.14 mm
- Material Thickness (t) 0.38 mm
- Approx. Thrust Load 34 kg
- Material Carbon Steel
Product Compliance and Data
Additional Resources
Cross References
- Waldes 5115-043
- NoCor TX-043
- Rotor Clip TX-043
- N14650043
- N1465-0043
- N14650043APP
- N1465-0043APP
- N1465-043
- N1465043
- TX043
- 5115043


