
Miniature Bearings Australia
CC-108-120-C - Datasheet
MBA
Category Information
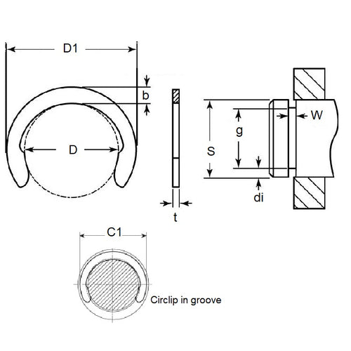
Retaining Rings - CrescentCrescent Retaining Rings. Variation of an E-Clip with an open face. Also known as a C-Clip.
- Narrow section height provides good clearance capabilities.
- Absence of teeth and deep set mean less thrust load ratings than e-clips.
- For best results install using the recommended applicator tool.
Product Data
- Groove Diameter (G)
:
10.79 - 10.90
mm
(Equiv. 0.425 in.) - Shaft Diameter (S)
12.00
mm
(Equiv. 0.472 in.) - Thickness (t)
0.94
mm
(Equiv. 0.037 in.) - Clip OD in groove (C1) 14.700 mm
- Clip OD Loose (D1) 14.350 mm
- Groove Width (W) 1.10
- Tool RRA-100
- Material Carbon Spring Steel Self Finish
Product Compliance and Data
Additional Resources
Cross References
- NoCor DC-012
- DC012


