
Miniature Bearings Australia
IN-EP-048F-095-FS3 - Datasheet
MBA
Category Information
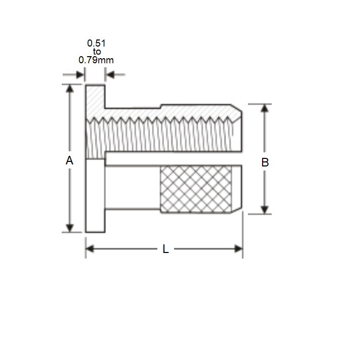
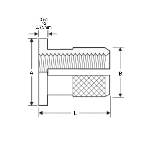
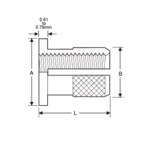
Inserts - Expansion - Press In - 303 Stainless - FlangedFlanged 303 Stainless Press In Expansion Inserts. Use for cored or drilled holes in plastics. Designed to replace molded in inserts and threads in plastic casings. Also known as threaded inserts.
- Used to create a reusable threaded hole in a material by expanding once it is in place.
- Installed by being pressed into a pre-drilled hole, and a subsequent tightening of a screw or bolt causes it to expand and grip the material's interior, providing a strong, stable connection.
- Common types are for wood, plastic, and masonry, with different designs tailored to the material's properties.
- Material : 303 Stainless Steel
- Easiest inserts to install - simply push into a pre-moulded hole.
- Used with plastics or other materials. Material must be strong enough to withstand the expansion of the insert.
- The insertion of the screw locks the external knurls into the wall of the hole.
- Provides excellent thread durability but where maximum strength is required other inserts shown in this catalogue should be preferred.
Product Data
- Internal Thread : 10-32 UNF (4.76mm)
- Rec. Hole Diameter
6.350
mm
(Equiv. 0.25 in.) - Length (L)
9.53
mm
(Equiv. 0.375 in.) - Knurled OD (B) 6.655 mm
- Flange OD (A) 7.925
- Material Stainless Steel 303/304 (Similar to A2, 18-8) HRB80
Product Compliance and Data
Additional Resources
Cross References
- INEP0476F079FS3


