
Miniature Bearings Australia
SS048F-0191-AS - Datasheet
Brighton Best
Category Information
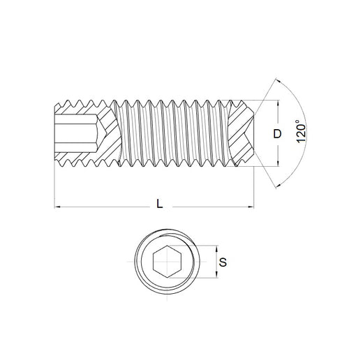
Socket Set Screws - Standard Cup Point - Alloy Steel DIN916Alloy Steel DIN916 Standard Cup Point Socket Set Screws. Standard grub screws. UNC - UNF - BA - METRIC.
- Socket driven grub screw with a standard cup point.
Product Data
- Thread Size : 10-32 UNF (4.76mm)
- Thread Length (L)
19.1
mm
(Equiv. 0.752 in.) - Type Standard Cup Point
- Hex Key Size 2.38 (3/32)
- Pitch 0.794 mm
- Threads Per Inch 32 TPI
- Finish Hardened, Black Oxide Coated
- Material Carbon Steel - Hardened GD14.9
Product Compliance and Data
Additional Resources
- Screws & Nuts Catalogue
- Shoulder Screws Catalogue
- Socket Set (Grub) Screws Catalogue
- Thumb Screws & Thumb Nuts Catalogue
- Thread Size Chart - Combined Imperial & Metric
Cross References
- 91375A445
- Small Parts SSAS-032-12
- BRB-101285P
- BRB101285P
- SSAS03212
- HK-33066
- HK33066


