
Miniature Bearings Australia
IN-TP-048F-13-WHL - Datasheet
MBA
Category Information
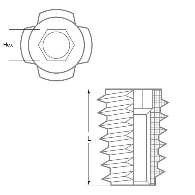
Inserts - Self Tapping - For Wood - Hex Drive - StandardStandard Hex Drive For Wood Self Tapping Inserts. Threaded inserts are screwed into preformed or predrilled holes and cut own threads into the wall of permanent installations.
- Threaded bushing with external threads that cuts its own internal threads into a pre-drilled hole.
- Creates a permanent, wear-resistant, and strong machine thread in materials such as aluminum, brass, cast iron, and plastics, without the need for a pre-tapped hole.
- Used for strengthening materials, providing durable fastening points for machine screws, and repairing damaged threads.
- Die Cast Zinc Alloy. Knife thread cuts easily into a predrilled hole.
- Inexpensive inserts for use in ready to assemble furniture, drawer pulls etc.
- Installs with a hex wrench
Product Data
- Internal Thread : 10-32 UNF (4.76mm)
- Rec. Hole Diameter
7.0
mm
(Equiv. 0.276 in.) - Length (L)
13.005
mm
(Equiv. 0.512 in.) - Hex Size 5.0
Product Compliance and Data
Additional Resources
Cross References
- INTP0476F130WH


