
Miniature Bearings Australia
IN-RIV-048F-020 - Datasheet
MBA
Category Information
Inserts - Rivet Nuts - Klik - StandardStandard Klik Rivet Nuts Inserts. Individual Inserts for use with the Klik Thread Setter Tool
- One-piece, internally threaded fastener that creates a permanent, reusable thread in a material, from only one side.
- Installed using a special tool that grips the insert and pulls a mandrel, which causes the nut's body to deform and grip the hole. This allows a bolt to be threaded into the insert to join components together.
- Also known as a nutsert or rivnut.
- These threaded inserts can be used in blind or through hole applications. Featuring a heavy duty thread profile and increased thickness in the collapse area.
- Steel with cadmium plating.
Product Data
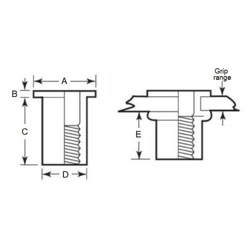
- Internal Thread : 10-32 UNF (4.76mm)
- Drill Hole Size
6.35
mm
(Equiv. 0.25 in.) - Grip Range
0.25 - 2.03
mm
(Equiv. 0.01 in.) - Body Diameter (D) 6.35 mm
- Flange Diameter (F) 10.31 mm
- C 13.487 mm
- B 0.965 mm
- E 9.652 mm
- 0.25 - 2.03
Product Compliance and Data
Additional Resources
Cross References
- 93483A651
- ALC-47140
- ALC47140


