
Miniature Bearings Australia
CP-100K-120K-40-066-J-PU80C - Datasheet
MBA
Category Information
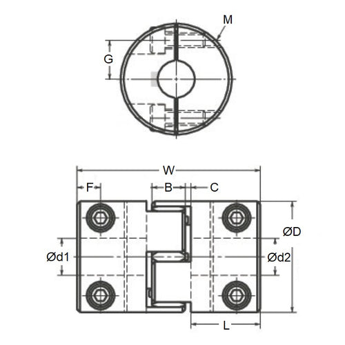
Couplings - Spider Type C CompleteSpider Type C Complete Couplings. Miniature aluminium curved jaw flexible couplings. 2 to 160 Nm. Match only hubs and spiders from listings SPIDER TYPE C. Inserts are held between the jaws of two hubs.
- Discs (either red as standard with blue or white optional) are available to purchase separately.
- Flexible couplings transmit torque and rotational angle while absorbing misalignment.
- When the misalignment exceeds allowable values, vibration may result or the life of the coupling may become shortened.
- Zero backlash in low torque application, made capable by having the hubs pressed in a spacer.
- Can be used as a flexible coupling in a high torque application. Polyurethane spider.
Product Data
- Bore (B)
:
10 (Keyed)
mm
(Equiv. 0.394 in.) - Bore (B) Keyed 12.0 mm
- OD (D)
40.0
mm
(Equiv. 1.575 in.) - Overall Assembled Length (L) 66 mm
- Description Complete
- Rated Torque 4.9 Nm
- Fixing Type Clamp
- Spider Hardness Aluminium with 80 Duro Blue Spider
- Material Aluminium with 80 Duro Blue Spider
Product Compliance and Data
Additional Resources
Cross References
- Misumi GCJCWK40-BL-10-12
- GCJCWK40BL1012


