
Miniature Bearings Australia
PUI020-0620-150-AS440 - Datasheet
MBA
Category Information
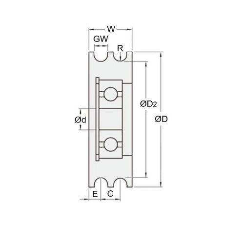
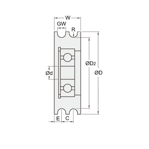
Pulleys - U Groove Idler - Double Row - AluminiumAluminium Double Row U Groove Idler Pulleys. Aluminium with Stainless Ball Bearings
- Use with round belts such as Rounthane or O-Rings
Product Data
- Maximum Cable Diameter (H)
:
10.0
mm
(Equiv. 0.394 in.) - Outside Diameter (OD)
62.0
mm
(Equiv. 2.441 in.) - Bore (A)
15.000
mm
(Equiv. 0.591 in.) - Body Width 25.0 mm
- Overall Width (OAL) 25.0
- Dia. to Base of Groove (B) 50 mm
- Centre Spacing 12
- Type Stainless 440 Shielded Precision Ball Bearing
- Groove Radius (R) 5.1
- Material Aluminium Alloy - Clear Anodized
Product Compliance and Data
Additional Resources
Cross References
- MBXAC6051


