
Miniature Bearings Australia
RPO-019-021-C - Datasheet
MBA
Category Information
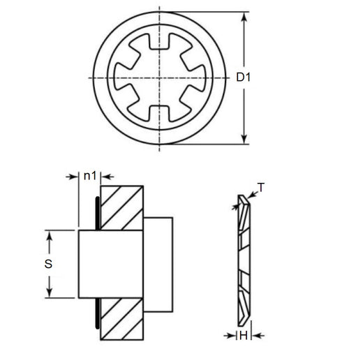
Retaining Rings - Push On - Carbon SteelCarbon Steel Push On Retaining Rings. M1465 / DTX / Seeger ZA and KS.
- An expanded range may be available on special order. Please enquire.
- Thrust load shown is calculated for ideal conditions with mild steel shaft.
- If no thrust load is shown, testing is suggested.
Product Data
- Min shaft size (s1)
:
1.90
mm
(Equiv. 0.075 in.) - Max Shaft Size (s2)
2.10
mm
(Equiv. 0.083 in.) - Outside diameter (D1)
6.50
mm
(Equiv. 0.256 in.) - Min shaft extension (n1) 1.60 mm
- Height (H) Max. 0.80 mm
- Material Thickness (t) 0.25 mm
- Approx. Thrust Load 15 kg
- Material Carbon Steel
Product Compliance and Data
Additional Resources
Cross References
- NoCor DTX-002
- DTX002
- M1465-0020
- M14650020APP
- M1465-0020APP


