
Miniature Bearings Australia
FP-10RS - Datasheet
MBA
Category Information
Eye Bolts - Threaded Shank - Plain - Carbon SteelCarbon Steel Plain Threaded Shank Eye Bolts. Forged self coloured carbon steel.
- Forged self coloured carbon steel.
- Should not be used for angular lifts greater than 45o. Safety swivel hoist rings are recommended for such applications.
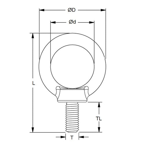
Product Data
- Thread Size : 1-8 UNC (25.4mm)
- Shank Length
63.500
mm
(Equiv. 2.5 in.) - Eye Inside Diameter
46.038
mm
(Equiv. 1.813 in.) - Rated Capacity 4082 Kg
Product Compliance and Data
Additional Resources
Cross References
- 3013T55


