
Miniature Bearings Australia
SS064C-0095-AS-OT - Datasheet
MBA
Category Information
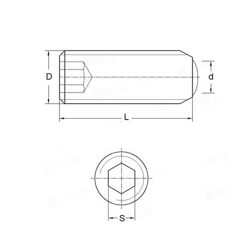
Socket Set Screws - Oval TipOval Tip Socket Set Screws. This is the main category in this series
- Socket driven grub screws with an oval shaped head.
Product Data
- Thread Size : 1/4-20 UNC (6.35mm)
- Thread Length (L)
9.5
mm
(Equiv. 0.374 in.) - Type Oval Tipped
- Hex Key Size 3.18 (1/8) mm
- Pitch 1.270 mm
- Threads Per Inch 20 TPI
- Material Carbon Steel
Product Compliance and Data
Additional Resources
- Screws & Nuts Catalogue
- Shoulder Screws Catalogue
- Socket Set (Grub) Screws Catalogue
- Thumb Screws & Thumb Nuts Catalogue
- Thread Size Chart - Combined Imperial & Metric
Cross References
- 92765A304
- BRB131100P
- BRB-131100P


