
Miniature Bearings Australia
NT064C-THC-BR - Datasheet
MBA
Category Information
Nuts - Thumb - Collared - BrassBrass Collared Thumb Nuts. This is the main category in this series
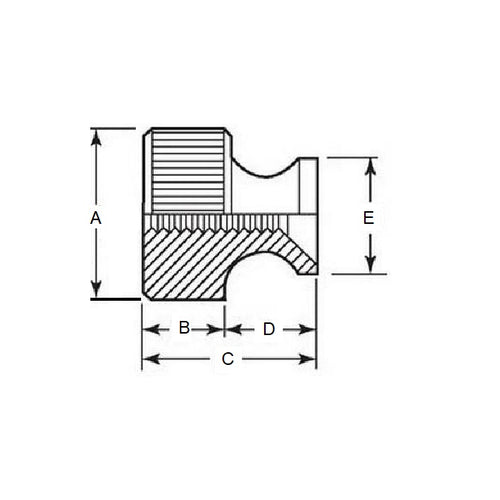
Product Data
- Thread Size : 1/4-20 UNC (6.35mm)
- Overall Length (C)
9.5
mm
(Equiv. 0.374 in.) - Head Width (B)
3.97
mm
(Equiv. 0.156 in.) - Head Diameter (A) 14.29 mm
- Collar Diameter (E) 11.91 mm
- Collar Height (D) 5.56 mm
- Material Brass
Product Compliance and Data
Additional Resources
Cross References
- 92741A160
- AJ721
- AJ-721
