
Miniature Bearings Australia
KM064C-025-7L20-ST - Datasheet
MBA
Category Information
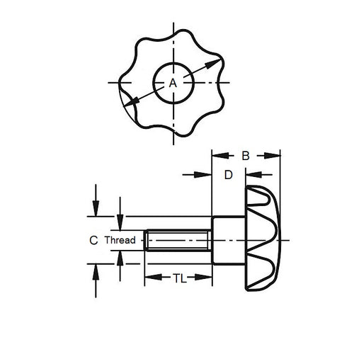
Knobs - Lobe - Seven Lobe - Male - StandardStandard Male Seven Lobe Lobe Knobs. Also see star knobs
- An expanded range may be available on special order. Please enquire.
Product Data
- Thread Size : 1/4-20 UNC (6.35mm)
- Head Diameter (A)
25.00
mm
(Equiv. 0.984 in.) - Thread Length
20.0
mm
(Equiv. 0.787 in.) - Colour Black
- Hub Diameter (C) 11.94 mm
- Hub Length (D) 7.87 mm
- Knob Height (B) 16.00 mm
- Material Plated Steel
Product Compliance and Data
Additional Resources
Cross References
- KaVo KBP-264
- KBP264


