
Miniature Bearings Australia
NT064C-TH1906-S3 - Datasheet
MBA
Category Information
Nuts - Thumb - BasicBasic Thumb Nuts. This is the main category in this series
Product Data
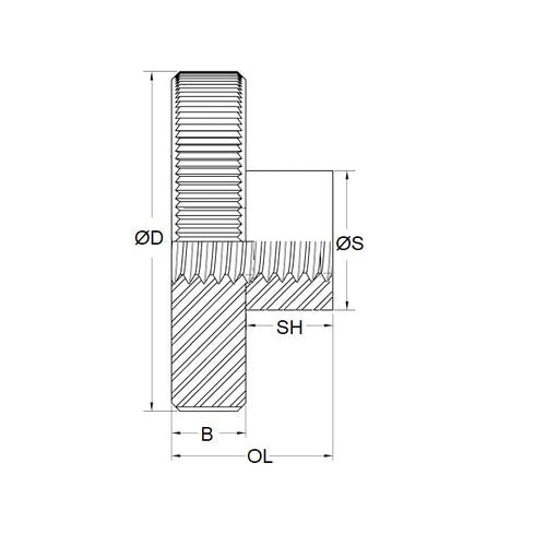
- Thread Size : 1/4-20 UNC (6.35mm)
- Overall Length
12.7
mm
(Equiv. 0.5 in.) - Head Width (B)
6.35
mm
(Equiv. 0.25 in.) - Head Diameter 19.05 mm
- Shoulder Diameter 12.70 mm
- Shoulder Height 6.35 mm
- Material Stainless Steel 303/304 (Similar to A2, 18-8) HRB80
Product Compliance and Data
Additional Resources
Cross References
- 91833A134
- SKN65
- SKN-65
