
Miniature Bearings Australia
KF127F-035-TPH-IN-A - Datasheet
MBA
Category Information
Knobs - Ball - Female Threaded - Phenolic - StandardStandard Phenolic Female Threaded Ball Knobs. Moulded from black or red phenolic resin.
- An expanded range may be available on special order. Please enquire.
- Light Weight.
- Thermal insulating.
- Non corrosive.
Product Data
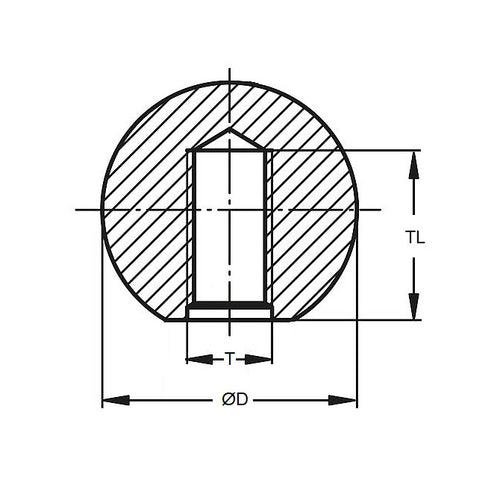
- Thread or Hole Size : 1/2-20 UNF (12.7mm)
- Diameter
34.93
mm
(Equiv. 1.375 in.) - Colour Black
- Mounting Type Threaded - Insert
- Material Phenolic
Product Compliance and Data
Additional Resources
Cross References
- 6046K24
- B9
- B-9


