
Miniature Bearings Australia
CHE-21RS - Datasheet
MBA
Category Information
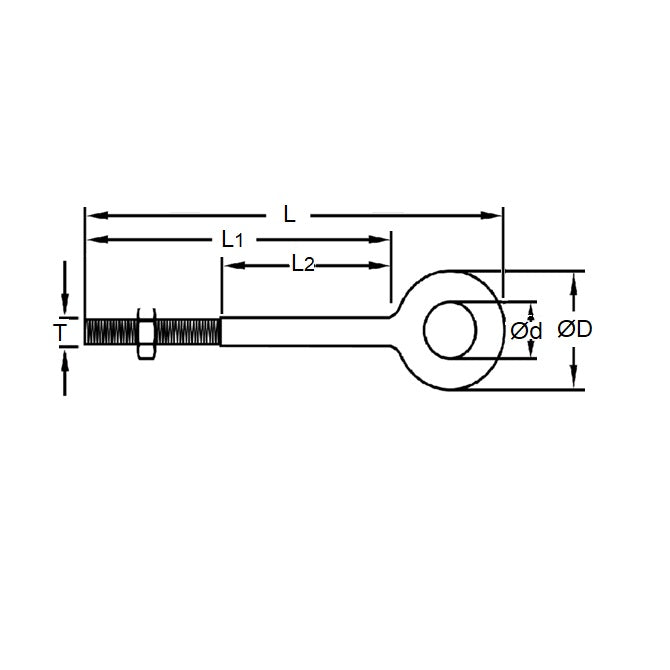
Eye Bolts - Partial Threaded Shank - Plain - Carbon SteelCarbon Steel Plain Partial Threaded Shank Eye Bolts. Hot galvanised finished steel with machine thread.
- Any deviations such as angular lifts, shock loads, modifications of the basic forging etc will result in drastically reduced maximum loads.
Product Data
- Thread Size : 1/2-13 UNC (12.7mm)
- Shank Length
203.200
mm
(Equiv. 8 in.) - Eye Inside Diameter
25.400
mm
(Equiv. 1 in.) - Rated Capacity 998 Kg
Product Compliance and Data
Additional Resources
Cross References
- 3016T46


