
Miniature Bearings Australia
SS127C-0572-AS - Datasheet
Brighton Best
Category Information
Socket Set Screws - Standard Cup Point - Alloy Steel DIN916Alloy Steel DIN916 Standard Cup Point Socket Set Screws. Standard grub screws. UNC - UNF - BA - METRIC.
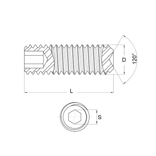
- Socket driven grub screw with a standard cup point.
Product Data
- Thread Size : 1/2-13 UNC (12.7mm)
- Thread Length (L)
57.2
mm
(Equiv. 2.252 in.) - Type Standard Cup Point
- Hex Key Size 6.35 (1/4)
- Pitch 1.954 mm
- Threads Per Inch 13 TPI
- Finish Hardened, Black Oxide Coated
- Material Carbon Steel - Hardened GD14.9
Product Compliance and Data
Additional Resources
- Screws & Nuts Catalogue
- Shoulder Screws Catalogue
- Socket Set (Grub) Screws Catalogue
- Thumb Screws & Thumb Nuts Catalogue
- Thread Size Chart - Combined Imperial & Metric
Cross References
- Brighton Best 601327
- 91375A721


