
Miniature Bearings Australia
PLST-127C-222-TAS-022 - Datasheet
MBA
Category Information
Plungers - Spring Threaded Adapter - Non Locking - StainlessStainless Non Locking Spring Threaded Adapter Plungers. Use your own handle on the thread provided.
- Items shown with Long-Lok have a dry threadlocking sealant applied to thread.
Product Data
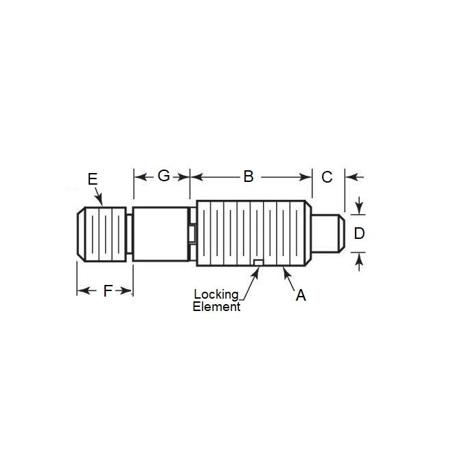
- Body Thread Size (A) : 1/2-13 UNC (12.7mm)
- Major Thread Length (B)
22.2
mm
(Equiv. 0.874 in.) - Initial Pressure (F1) 5.6 N
- Final Pressure (F2) 22.2 N
- Tip Diameter (D) 6.3 mm
- Tip Length (C) 6.4 mm
- End Thread Size (E) 3/8-16 UNC (9.525mm)
- End Thread Length (F) 11.1 mm
- Material Stainless Steel
Product Compliance and Data
Additional Resources
Cross References
- NRP73
- NRP-73


