
Miniature Bearings Australia
KF127C-044-TPHS - Datasheet
MBA
Category Information
Knobs - Ball - Female Threaded - Phenolic - Shank TypeShank Type Phenolic Female Threaded Ball Knobs. Moulded from black phenolic resin.
- An expanded range may be available on special order. Please enquire.
- Phenolic Ball Knobs with Shanks. To Screw onto threads.
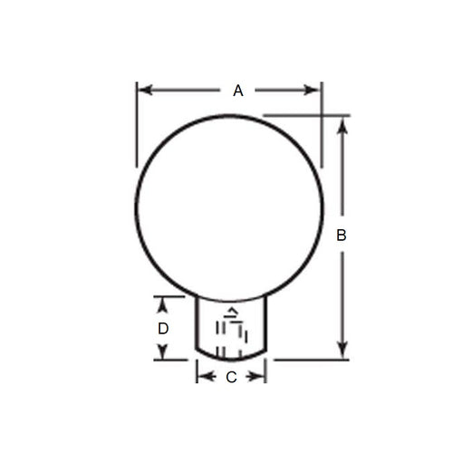
Product Data
- Thread or Hole Size : 1/2-13 UNC (12.7mm)
- Diameter
43.66
mm
(Equiv. 1.719 in.) - Thread Type Moulded
- Shank Height (D) 12.70
- Shank Diameter (C) 19.84 mm
- Height (B) 28.58 mm
- Material Phenolic
Product Compliance and Data
Additional Resources
Cross References
- DK385
- DK-385


