
Miniature Bearings Australia
PUI012-0272-048-N-BB - Datasheet
MBA
Category Information
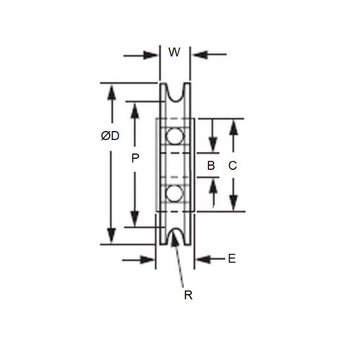
Pulleys - U Groove Idler - Single Row - Plastic With BearingPlastic With Bearing Single Row U Groove Idler Pulleys. Plastic and Steel with Steel Ball Bearings or Plain Bearings.
- Use with round belts such as Rounthane or O-Rings
Product Data
- Maximum Cable Diameter (H)
:
1.19
mm
+ 0.127 / - 0.000
(Equiv. 0.047 in.) - Outside Diameter (OD)
27.178
mm
(Equiv. 1.07 in.) - Bore (B)
4.750
mm
(Equiv. 0.187 in.) - Overall Width (OAL) 5.563
- Dia. to Base of Groove (P) 22.48 mm
- Type Ball Bearing - Unground - Heavy Dty
- Groove Radius (R) 0.635
- Material Nylon (Polyamide 6/6)
Product Compliance and Data
Additional Resources
Cross References
- 3434T14
- A6Z9-01706
- A6Z901706


