
Miniature Bearings Australia
PUI012-0127-032-ZB - Datasheet
MBA
Category Information
Pulleys - U Groove Idler - Single Row - SteelSteel Single Row U Groove Idler Pulleys. Steel with Steel Ball Bearings
- Use with round belts such as Rounthane or O-Rings
Product Data
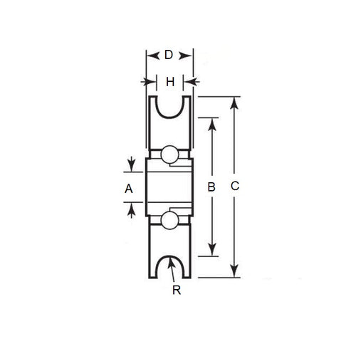
- Maximum Cable Diameter (H)
:
1.19
mm
(Equiv. 0.047 in.) - Outside Diameter (OD)
12.70
mm
(Equiv. 0.5 in.) - Bore (A)
3.175
mm
(Equiv. 0.125 in.) - Body Width 3.97 mm
- Overall Width (OAL) 4.76
- Dia. to Base of Groove (B) 9.53 mm
- Type Unground Open Ball Bearing - Hardened Raceway - Heavy Duty
- Groove Radius (R) 0.64
- Material Steel
Product Compliance and Data
Additional Resources
Cross References
- CBL-910
- CBL910


