
Miniature Bearings Australia
FS-11RS - Datasheet
MBA
Category Information
Eye Bolts - Threaded Shank - Shouldered - Carbon Steel - StandardStandard Carbon Steel Shouldered Threaded Shank Eye Bolts. Forged self coloured carbon steel.
- Forged self coloured carbon steel.
- Should not be used for angular lifts greater than 45o. Safety swivel hoist rings are recommended for such applications.
Product Data
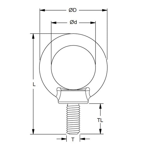
- Thread Size : 1.1/8-7 UNC (28.58mm)
- Shank Length
69.850
mm
(Equiv. 2.75 in.) - Eye Inside Diameter
50.800
mm
(Equiv. 2 in.) - Rated Capacity 5443 Kg
Product Compliance and Data
Additional Resources
Cross References
- 3014T56



